Магазин запчастей для бытовой техники - Arlos
Москва
close
Выберите ваш регион
АбаканАлександровАльметьевскАнгарскАрзамасАрмавирАртемАрхангельскАстраханьАчинскБалаковоБалашихаБеларусьБелгородБердскБерезникиБийскБлаговещенскБратскБрянскВеликий НовгородВидноеВладивостокВладикавказВладимирВолгоградВолгодонскВолжскийВологдаВолховВоркутаВоронежВоскресенскВыборгГатчинаГеленджикГрозныйДедовскДербентДзержинскДзержинскийДимитровградДмитровДолгопрудныйДомодедовоДонецкЕвпаторияЕгорьевскЕкатеринбургЕлецЕссентукиЖелезногорскЖелезнодорожныйЖуковскийЗеленоградЗлатоустИвановоИвантеевкаИжевскИркутскИстраЙошкар-ОлаКазаньКалининградКалугаКаменск-УральскийКамышинКаспийскКемеровоКерчьКировКисловодскКлинКовровКоломнаКомсомольск-на-АмуреКопейскКоролёвКостромаКотельникиКрасногорскКраснодарКраснознаменскКрасноярскКурганКурскКызылЛенинск-КузнецкийЛипецкЛобняЛыткариноЛюберцыМагнитогорскМайкопМалаховкаМахачкалаМиассМоскваМурманскМуромМытищиНабережные ЧелныНазраньНальчикНаро-ФоминскНахабиноНаходкаНевинномысскНефтекамскНефтеюганскНижневартовскНижнекамскНижний НовгородНижний ТагилНовокузнецкНовокуйбышевскНовомосковскНовороссийскНовосибирскНовоуральскНовочебоксарскНовочеркасскНовошахтинскНовый УренгойНогинскНорильскНоябрьскОбнинскОдинцовоОктябрьскийОмскОрелОренбургОрехово-ЗуевоОрскПавловский ПосадПензаПервоуральскПермьПетрозаводскПетропавловск-КамчатскийПодольскПрокопьевскПсковПушкиноПятигорскРаменскоеРеутовРостов-на-ДонуРубцовскРыбинскРязаньСакиСалаватСамараСанкт-ПетербургСаранскСаратовСевастопольСеверодвинскСеверскСергиев ПосадСерпуховСимферопольСмоленскСосновый БорСочиСтавропольСтарый ОсколСтерлитамакСтупиноСургутСызраньСыктывкарТаганрогТамбовТверьТихвинТольяттиТомилиноТомскТроицкТулаТюменьУлан-УдэУльяновскУссурийскУсть-ИлимскУфаУхтаФеодосияФрязиноХабаровскХанты-МансийскХасавюртХимкиЧебоксарыЧелябинскЧереповецЧеркесскЧеховЧитаШахтыЩелковоЭлектростальЭлистаЭнгельсЮжно-СахалинскЯкутскЯлтаЯрославль
  • - бесплатно по РФ
    Автоперезвон. Работает по принципу: Вы позвонили на номер, мы сбрасываем звонок и перезваниваем через 3 секунды.
  • - по Москве
  • 8 (925) 663-83-63

Call-центр

пн-вс: 10:00-19:00

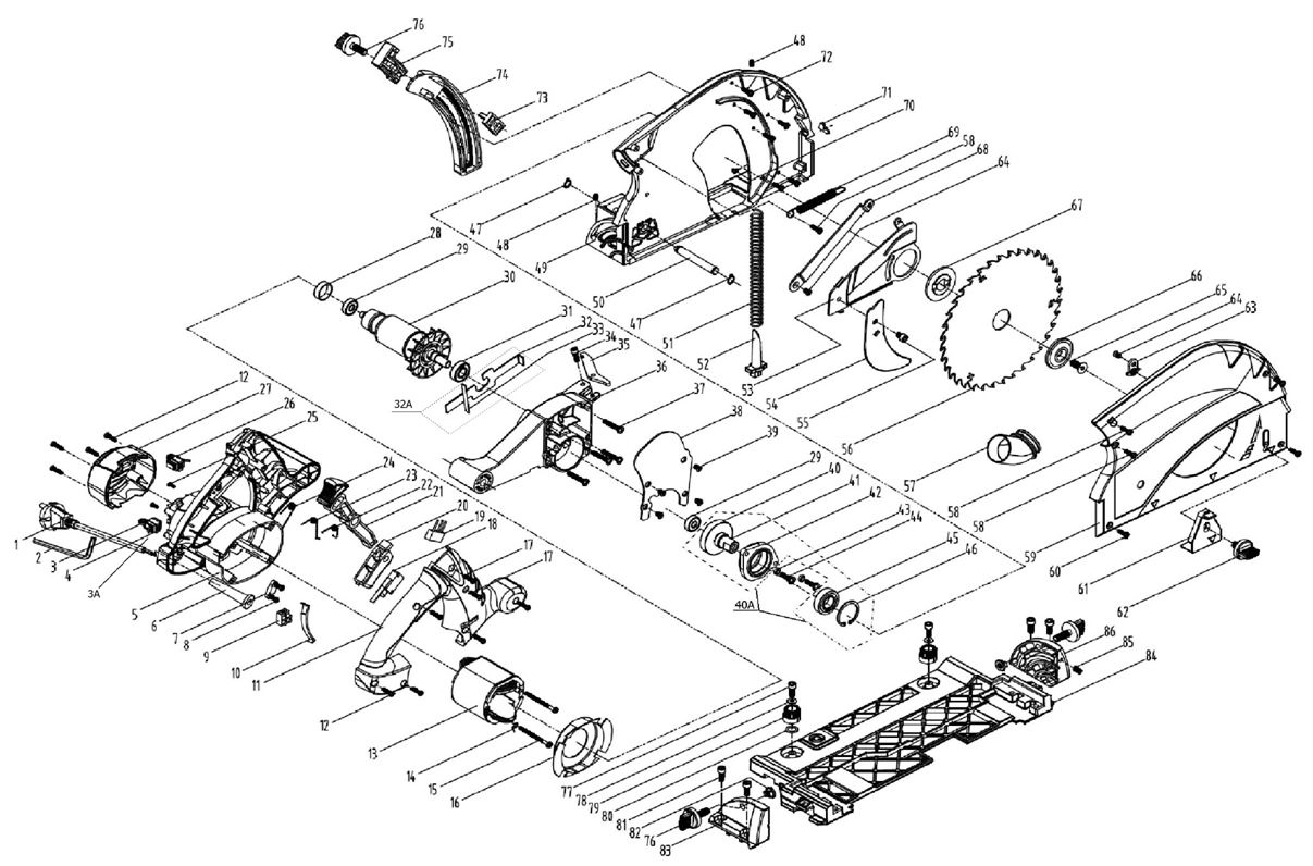
ЗАПЧАСТИ ДЛЯ ПИЛЫ ЦИРКУЛЯРНОЙ (ДИСКОВОЙ) ЭЛЕКТРИЧЕСКОЙ ELITECH ПД 1675П14 (ОБЩАЯ)

NАртикулНазваниеСрок отгрузкиЦенаКупить
1 1810.008500 Кабель сетевой в сборе с вилкой в сборе 2х1 мм2, L.3 мм
2 1810.000200 Ключ шестигранный
3 1810.000300 Пружина щеткодержателя 3901802013 ПД 1255 П 13 р.
1810.000350 Щеткодержатель в сборе с пружиной щетки угольной 121 р.
4 1810.000400 Щеткодержатель 196 р.
5 1810.000500 Корпус эл. двигателя
6 1810.000600 Изолятор кабеля сетевого
7 1810.000700 Зажим провода
8 1810.000800 Винт самонарезающий ST4,2х12 мм
9 1810.000900 Колодка клеммная
10 1810.008600 Пластина
11 1810.001000 Рукоятка3901802020 1.083 р.
12 1810.001100 Винт самонарезающий ST4,2х16 мм
13 1810.008700 Статор
14 1810.008800 Пластина заземления
15 1810.008900 Винт самонарезающий ST4,2х62 мм
16 1810.001400 Дефлектор    ПД 1255П 212 р.
17 1810.001500 Винт самонарезающий ST4,2х22 мм
18 1810.001600 Микропереключатель. 3901802026. ПД 1255П 90 р.
19 1810.009000 Конденсатор 0,22 мкФ
20 1810.001800 Кнопка переключения ПД 1255П 107 р.
21 1810.001900 Кнопка самоблокировки ПД 1255П 194 р.
22 1810.002000 Пружина кручения витая ПД 1255П 10 р.
23 1810.002100 Пружина кручения кнопки самоблокировки ПД 1255П 10 р.
24 1810.002200 Пружина кручения переключателя ПД 1255П 10 р.
25 1810.009100 Винт самонарезающий ST3х8 мм
26 1810.009200 Щетки графитовые 2шт,д/ELITECH ПД 1675П 182 р.
27 1810.002500 Крышка корпуса задняя 3901802035 ПД1675 П14 153 р.
28 1810.002600 Пыльник. 3901802036. ПД 1255П 16 р.
29 5001.002801 Подшипник 608Z.ZZ, 8Х22Х7 252 р.
29 1810.002700 Подшипник шариковый 608-ZZ
30 1810.009300 Ротор 3.743 р.
31 5001.001501 Подшипник шариковый 6001-2RS
31 1810.002900 Подшипник шариковый 6001-2RS
32 1810.003000 Рычаг фиксатора шпинделя
32А 1810.003050 Рычаг фиксатора шпинделя + Пружина 3901802040 +3901802041 ПД1675 П14 101 р.
33 1810.003100 Пружина рычага
34 1810.003200 Винт M5х16 мм
35 1810.009400 Фиксатор шпинделя
36 1810.009500 Корпус редуктора
37 1810.003500 Винт самонарезающий ST4,8х30 мм
38 1810.009600 Крышка редуктора
39 1810.009700 Винт
40 1810.009800 Шестерня
40A 1810.009750 Редуктор в сборе 5901804009 ПД1675 П14 803 р.
41 1810.009900 Вал выходной
42 1810.010000 Корпус подшипника
43 1810.010100 Проставка
44 1810.010200 Винт
45 5001.000101 Подшипник 6003RS, 17х35х10 135 р.
45 1810.010300 Подшипник шариковый 6003
46 1810.010400 Кольцо стопорное
47 1810.010500 Кольцо стопорное
48 1810.004300 Винт M5х10 мм
49 1810.010600 Кожух защитный
50 1810.010700 Штифт рамы 90 р.
51 1810.010800 Пружина
52 1810.010900 Держатель пружины
53 1810.011000 Держатель ножа расклинивающего
54 1810.011100 Нож расклинивающий
55 1810.005000 Винт M6х16 мм
57 1810.005200 Патрубок для пылесоса ПД 1255П 59 р.
58 1810.005400 Винт
59 1810.011300 Крышка кожуха защитного
60 1810.011400 Винт
61 1810.011500 Фиксатор
62 1810.011600 Винт
63 1810.011700 Фиксатор
64 1810.011800 Винт
65 1810.005500 Винт M8х20 мм 24 р.
66 1810.011900 Фланец прижимной внешний 111 р.
67 1810.012000 Фланец прижимной внутренний 264 р.
68 1810.012100 Рычаг расклинивателя
69 1810.012200 Пружина натяжения 24 р.
70 1810.006300 Винт самонарезающий ST3х5 мм
71 1810.006200 Указатель угла наклона диска ПД 1255П 17 р.
72 1810.006100 Винт
73 1810.012300 Планка направляющая
74 1810.012400 Шкала глубины погружения диска
75 1810.012500 Планка прижимная
76 1810.006700 Винт барашковый
77 1810.006800 Винт M6х10 мм
78 1810.006900 Шайба плоская 6х12х1,5 мм
79 1810.007000 Фиксатор подошвы  ПД 1255П 83 р.
80 1810.012600 Шайба 10,3х15,7х0,5 мм (резиновая)
81 1810.005000 Винт M6х16 мм
82 1810.007100 Гайка фасонная M8 44 р.
83 1810.007200 Регулятор угла наклона без шкалы ПД 1255П 492 р.
84 1810.012700 Подошва
85 1810.007500 Винт с головкой потайной M6х12 мм
86 1810.007400 Регулятор угла наклона со шкалой ПД 1255П 377 р.
Найдено товаров: 91
1
▲ Наверх
0
8 (925) 663-83-63

Call-центр

пн-вс: 10:00-19:00

НАЙТИ ПО МОДЕЛИ
Введите номер заказа
Введите номер своего заказа, что бы узнать его текущий статус.
Что бы получить доступ к расширенным функциям, пройдите не сложную регистрацию. Зарегистрироваться