Магазин запчастей для бытовой техники - Arlos
Москва
close
Выберите ваш регион
АбаканАлександровАльметьевскАнгарскАрзамасАрмавирАртемАрхангельскАстраханьАчинскБалаковоБалашихаБеларусьБелгородБердскБерезникиБийскБлаговещенскБратскБрянскВеликий НовгородВидноеВладивостокВладикавказВладимирВолгоградВолгодонскВолжскийВологдаВолховВоркутаВоронежВоскресенскВыборгГатчинаГеленджикГрозныйДедовскДербентДзержинскДзержинскийДимитровградДмитровДолгопрудныйДомодедовоДонецкЕвпаторияЕгорьевскЕкатеринбургЕлецЕссентукиЖелезногорскЖелезнодорожныйЖуковскийЗеленоградЗлатоустИвановоИвантеевкаИжевскИркутскИстраЙошкар-ОлаКазаньКалининградКалугаКаменск-УральскийКамышинКаспийскКемеровоКерчьКировКисловодскКлинКовровКоломнаКомсомольск-на-АмуреКопейскКоролёвКостромаКотельникиКрасногорскКраснодарКраснознаменскКрасноярскКурганКурскКызылЛенинск-КузнецкийЛипецкЛобняЛыткариноЛюберцыМагнитогорскМайкопМалаховкаМахачкалаМиассМоскваМурманскМуромМытищиНабережные ЧелныНазраньНальчикНаро-ФоминскНахабиноНаходкаНевинномысскНефтекамскНефтеюганскНижневартовскНижнекамскНижний НовгородНижний ТагилНовокузнецкНовокуйбышевскНовомосковскНовороссийскНовосибирскНовоуральскНовочебоксарскНовочеркасскНовошахтинскНовый УренгойНогинскНорильскНоябрьскОбнинскОдинцовоОктябрьскийОмскОрелОренбургОрехово-ЗуевоОрскПавловский ПосадПензаПервоуральскПермьПетрозаводскПетропавловск-КамчатскийПодольскПрокопьевскПсковПушкиноПятигорскРаменскоеРеутовРостов-на-ДонуРубцовскРыбинскРязаньСакиСалаватСамараСанкт-ПетербургСаранскСаратовСевастопольСеверодвинскСеверскСергиев ПосадСерпуховСимферопольСмоленскСосновый БорСочиСтавропольСтарый ОсколСтерлитамакСтупиноСургутСызраньСыктывкарТаганрогТамбовТверьТихвинТольяттиТомилиноТомскТроицкТулаТюменьУлан-УдэУльяновскУссурийскУсть-ИлимскУфаУхтаФеодосияФрязиноХабаровскХанты-МансийскХасавюртХимкиЧебоксарыЧелябинскЧереповецЧеркесскЧеховЧитаШахтыЩелковоЭлектростальЭлистаЭнгельсЮжно-СахалинскЯкутскЯлтаЯрославль
  • - бесплатно по РФ
    Автоперезвон. Работает по принципу: Вы позвонили на номер, мы сбрасываем звонок и перезваниваем через 3 секунды.
  • - по Москве
  • 8 (925) 663-83-63

Call-центр

пн-вс: 10:00-19:00

ЗАПЧАСТИ ДЛЯ КОМПРЕССОРА ПОРШНЕВОГО ELITECH КПМ 210/75В

NАртикулНазваниеСрок отгрузкиЦенаКупить
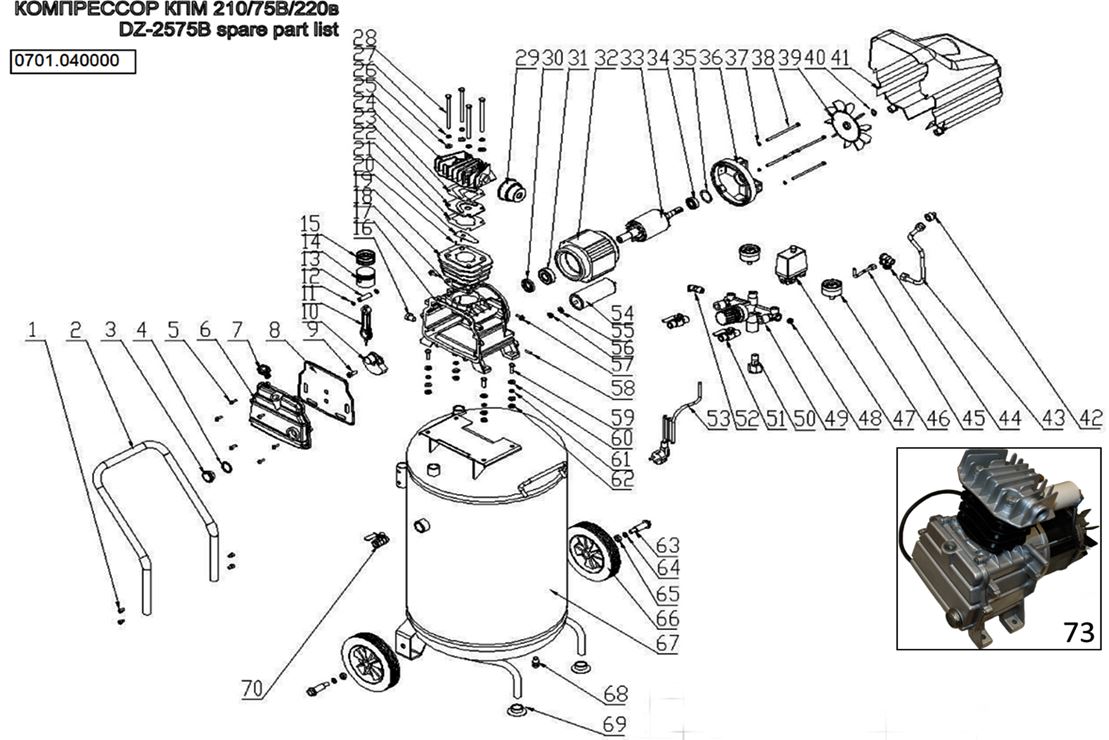
1 0701.040100 Болт M8х20 мм
2 0701.040200 Рукоятка П-образная (металлическая)
3 0701.040300 Маслоуказатель M27х15-17 мм
4 0701.040400 Прокладка глазка контроля уровня масла 27х4x3 резиновая 45 р.
5 0701.040500 Винт M5х15 мм
6 0701.040600 Крышка картера задняя 544 р.
7 0701.040700 Пробка заливная D.18 мм
8 0701.040800 Прокладка-мембрана задней крышки картера 152х152х192-6отв-11-11-трапецевидная 70 р.
9 0701.040900 Болт М8х23 под ш-гр-к 7 р.
10 0701.041000 Кривошип (посадка 9-20х12-23х20-шейка Н.45х73 мм, без шпонки)
10 0701.072260 Коленвал. D.01.05.W007. КПМ 250/75 471 р.
11 0701.041100 Шатун, d12х23, L94. КПМ 210_75В. СМ. 0701.072250 219 р.
11 0701.072250 Шатун D.12х23 мм
12 0701.072240 Кольцо стопорное D.12 мм
12 0701.020400 Кольцо стопорное D.12 мм 24 р.
13 0701.041300 Палец поршневой 12х39 45 р.
13 0701.072230 Палец поршневой D.12х39 мм
14 0701.041400 Поршень 48х35-15-12 3-кольца-48х3/2/2 255 р.
14 0701.072220 Поршень D.48х35 мм
15 0701.041500 Кольца поршневые 48х3/2/2-с уклоном (ком-т 3шт.) (маслосъёмное-1часть) 219 р.
15 0701.072210 Комплект колец поршневых D.48х3х2х2 мм
16 0701.041600 Болт М12х17 16 р.
17 0701.041700 Картер
18 0701.041800 Прокладка цилиндр-картер 68х82х89х9х49х72-4 отвх9-49х72 мм
19 0701.041900 Цилиндр D.48 мм
20 0701.042000 Штифт 3х5,5 мм
21 0701.042100 Пластина клапанная впускная 3-3х4-7х10-8-20-28-57 377 р.
22 0701.042200 Прокладка плиты клапанной нижняя 48х62х72х92-4отвх9-47х70 377 р.
23 0701.042300 Плита клапанная в сборе 6х6х6х15х70х90х9х4 (Дугообразные 8х35+32+35 пластина+ограничитель) 586 р.
24 0701.042400 Прокладка головки цилиндра 68х72х92-4 отвх9-47х70
25 0701.042500 Головка цилиндра 48х72-4отвх9 Rc1/2"-G1/2"=D18,613/P1,814/14-D18,613/P1,588/16--39-F-F 817 р.
26 0701.022200 Шайба D8 гроверная 48 р.
27 0701.022200 Шайба D8 гроверная 48 р.
28 0701.042800 Болт M8х38-108 мм
29 0701.042900 Фильтр воздушный в сборе G1/2
30 0701.023500 Сальник 20х40х7 мм
31 0701.012400 Подшипник шариковый 6204-RZ 20х47х14 мм
32 0701.043200 Статор 1,8кВт, 220В, D.67х135-83-145 мм (стальной гладкий)
33 0701.043300 Ротор 20х35-67х89-15х14-14х35 мм, Н.12 мм DM8
33 0701.072050 Ротор. D.02.18.009. КПМ 250/75 1.294 р.
34 0701.023900 Подшипник шариковый 6202-RZ 15х35х11 мм
35 0701.012500 Шайба пружинная волнистая 23х28х0,5 13 р.
36 0701.043600 Крышка задняя D.35х11-135х48 мм, 6202-RZ
37 0701.024200 Шайба стопорная D.5 мм
38 0701.043800 Болт M5х35 мм
39 0701.043900 Крыльчатка D.02.21.W012 121 р.
40 0701.012300 Кольцо стопорное D.14 мм 72 р.
41 0701.044100 Кожух защитный эл/дв пластиковый КПМ210 373 р.
42 0701.044200 Фитинг угольник G3/8"-R1/2"=d16,662/P1,337/19-d20,955/P1,814/14--33-M-M 72 р.
43 0701.044300 Воздухопровод D.10х380 мм
44 0701.013900 Клапан обратный G1/8MхG3/8MхG1/2M (под втулку)
45 0701.044500 Воздухопровод трубка отводная d6 L=20+50+20+40=130 G1/8"-D8,566/P0,907/28-F 430 р.
46 0701.013200 Манометр D42, G1/8(D9.8), 0-12 bar. СМ. 0701.148850 0702.121850 0702.125450 0702.133200 492 р.
47 0701.013100 Прессостат 1.224 р.
48 0701.044800 Заглушка M14х10 мм
49 0701.013000 Редуктор давления, 3 отв. (11.5х2, 8.5х1). СМ.0701.025300.0701.044900.0701.056800 394 р.
50 0701.013500 Штуцер с гайкой накидной G1/4M-G3/8F
51 0701.014800 Соединение Рапид -клапан быстроразъёмное воздушный R1/4"-d13 AC 300 24(W0503.001.00) 262 р.
52 0701.013400 Клапан предохранительный G1/4. СМ 0701.057400, 0701.024800,КПМ 200_24, 200_50, 210_75В, 250-75, 360 364 р.
53 0701.024700 Шнур питания 360 р.
54 0701.045400 Конденсатор 250В, 125мкФ, D50, L123, М8, CBB60 2.393 р.
55 0701.022200 Шайба D8 гроверная 48 р.
56 0701.025700 Гайка М8 7 р.
57 0701.045700 Винт
58 0701.045800 Винт
59 0701.026000 Болт М8х26 7 р.
60 0701.046000 Шайба D.8 мм
61 0701.022200 Шайба D8 гроверная 48 р.
62 0701.025700 Гайка М8 7 р.
63 0701.026600 Болт-ось M10-15х34-56 мм 77 р.
64 0701.026400 Шайба стопорная D.10 мм 10 р.
65 0701.026300 Гайка M10 31 р.
66 0701.046600 Колесо
66 0702.110370 Колесо
67 0701.046700 Ресивер 75 л
68 0701.046800 Конденсатоотводчик G3/8 66 р.
69 0701.025900 Подушка опоры КПМ200/24/50 84 р.
70 0701.047000 Кран воздушный 2G1/2-F-M
71 0701.013300 Манометр D52, G1/4(D13), 0-12 bar. СМ. 0701.148600 495 р.
72 0701.047200 Термозащита 8А
73 0701.040010 Блок поршневой в сборе с эл. двигателем
Найдено товаров: 81
1
▲ Наверх
0
8 (925) 663-83-63

Call-центр

пн-вс: 10:00-19:00

НАЙТИ ПО МОДЕЛИ
Введите номер заказа
Введите номер своего заказа, что бы узнать его текущий статус.
Что бы получить доступ к расширенным функциям, пройдите не сложную регистрацию. Зарегистрироваться