Магазин запчастей для бытовой техники - Arlos
Москва
close
Выберите ваш регион
АбаканАлександровАльметьевскАнгарскАрзамасАрмавирАртемАрхангельскАстраханьАчинскБалаковоБалашихаБеларусьБелгородБердскБерезникиБийскБлаговещенскБратскБрянскВеликий НовгородВидноеВладивостокВладикавказВладимирВолгоградВолгодонскВолжскийВологдаВолховВоркутаВоронежВоскресенскВыборгГатчинаГеленджикГрозныйДедовскДербентДзержинскДзержинскийДимитровградДмитровДолгопрудныйДомодедовоДонецкЕвпаторияЕгорьевскЕкатеринбургЕлецЕссентукиЖелезногорскЖелезнодорожныйЖуковскийЗеленоградЗлатоустИвановоИвантеевкаИжевскИркутскИстраЙошкар-ОлаКазаньКалининградКалугаКаменск-УральскийКамышинКаспийскКемеровоКерчьКировКисловодскКлинКовровКоломнаКомсомольск-на-АмуреКопейскКоролёвКостромаКотельникиКрасногорскКраснодарКраснознаменскКрасноярскКурганКурскКызылЛенинск-КузнецкийЛипецкЛобняЛыткариноЛюберцыМагнитогорскМайкопМалаховкаМахачкалаМиассМоскваМурманскМуромМытищиНабережные ЧелныНазраньНальчикНаро-ФоминскНахабиноНаходкаНевинномысскНефтекамскНефтеюганскНижневартовскНижнекамскНижний НовгородНижний ТагилНовокузнецкНовокуйбышевскНовомосковскНовороссийскНовосибирскНовоуральскНовочебоксарскНовочеркасскНовошахтинскНовый УренгойНогинскНорильскНоябрьскОбнинскОдинцовоОктябрьскийОмскОрелОренбургОрехово-ЗуевоОрскПавловский ПосадПензаПервоуральскПермьПетрозаводскПетропавловск-КамчатскийПодольскПрокопьевскПсковПушкиноПятигорскРаменскоеРеутовРостов-на-ДонуРубцовскРыбинскРязаньСакиСалаватСамараСанкт-ПетербургСаранскСаратовСевастопольСеверодвинскСеверскСергиев ПосадСерпуховСимферопольСмоленскСосновый БорСочиСтавропольСтарый ОсколСтерлитамакСтупиноСургутСызраньСыктывкарТаганрогТамбовТверьТихвинТольяттиТомилиноТомскТроицкТулаТюменьУлан-УдэУльяновскУссурийскУсть-ИлимскУфаУхтаФеодосияФрязиноХабаровскХанты-МансийскХасавюртХимкиЧебоксарыЧелябинскЧереповецЧеркесскЧеховЧитаШахтыЩелковоЭлектростальЭлистаЭнгельсЮжно-СахалинскЯкутскЯлтаЯрославль
  • - бесплатно по РФ
    Автоперезвон. Работает по принципу: Вы позвонили на номер, мы сбрасываем звонок и перезваниваем через 3 секунды.
  • - по Москве
  • 8 (925) 663-83-63

Call-центр

пн-вс: 10:00-19:00

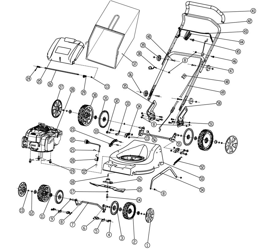
ЗАПЧАСТИ ДЛЯ ГАЗОНОКОСИЛКИ БЕНЗИНОВОЙ ELITECH К 4500L (ОБЩАЯ)

NАртикулНазваниеСрок отгрузкиЦенаКупить
1 0803.095600 Колпак переднего колеса KCL16B-01A K 4500L 327 р.
2 0803.095700 Колесо переднее. KCL16B-2. К 4500L 1.389 р.
3 0803.095650 Крышка внутренняя колеса переднего. KCL16B-3. K 4500L 44 р.
4 0803.095750 Винт M6х20 мм
5 0803.095800 Пластина крепления оси колесной передней
6 0803.095850 Кронштейн оси колесной передней
7 0803.095900 Ось передняя KCL16B-6B К4500L 1.308 р.
8 0803.095950 Гайка M6
9 0803.088700 Шайба 13 GB/T955-1987 К 5500L К 6500L 28 р.
10 0803.088400 Винт самонарезающий ST4,2х13 мм
11 5001.003415 Подшипник шариковый специальный с бортиком 6001-В 401 р.
12 0803.088550 Шайба 8x16x1,6 мм
13 0803.088500 Гайка M8
14 0803.092900 Болт 3/8-24x32 специальный. GB/T5786-2000. К 4500.5500L.6500BS 46 р.
15 0803.096250 Нож для газонокосилки 17inch.( 43см) аналог 0809.014700 K 4500L 1.176 р.
15 0809.014700 Нож,д\газонокосилки,д\К4500L,43см,кор. 1.119 р.
16 0803.096300 Адаптер ножа. KCL16B-36. K 4500L 541 р.
17 0803.092850 Шайба
18 0803.092600 Шпонка 24 р.
19 0803.097700 Болт M8х40 мм
20 0803.096000 Пружина возвратная KCL16B-8 К4500L 48 р.
21 0803.090200 Штифт 1,5х2,5 мм
22 0803.096050 Рукоятка регулировки высоты
23 0803.096100 Гребенка переключения высоты кошения
24 0803.096150 Пружина крышки задней (левая)
25 0803.096200 Крышка задняя
26 0803.097750 Ось крышки задней
27 0803.096350 Колпак заднего колеса KCL16B-11A K 4500L 356 р.
28 0803.096400 Двигатель бензиновый LC1P61FE 20.393 р.
29 0803.096450 Пружина крышки задней (правая)
30 0803.096500 Kолесо заднее. KCL16B-12. K 4500L 1.780 р.
31 0803.096550 Крышка внутренняя колеса заднего. KCL16B-13. K 4500L 55 р.
32 0803.096600 Болт M8х20 мм
33 0803.096650 Пластина крепления оси колесной задней
34 0803.096700 Кронштейн оси колесной задней
35 0803.096750 Кронштейн крепления рукоятки (левый)
36 0803.091650 Гайка шестигранная M8
37 0803.096850 Травосборник
38 0803.096900 Фиксатор рукоятки стартера ручного
39 0803.091700 Барашек пластиковый KCL20-50 К4500L 68 р.
40 0803.096950 Болт M8х40 мм
41 0803.097000 Накладка рукоятки
42 0803.097050 Рукоятка верхняя
43 0803.097100 Рычаг тормоза
44 0803.097150 Кронштейн рычага
45 0803.097200 Болт M8х16 мм
46 0803.097250 Болт M6х35 мм
47 0803.097300 Рукоятка нижняя
48 0803.091800 Фиксатор троса KCL20-48 К4500L 17 р.
49 0803.097350 Трос. KCL16B-22BKC. K 4500L 444 р.
50 0803.097400 Кронштейн крепления рукоятки (правый)
51 0803.097450 Болт M6х12 мм
52 0803.089850 Пружина тяги
53 0803.097500 Дека
54 0803.097550 Тяга соединительная
55 0803.097600 Ось колесная задняя 1.599 р.
56 0803.097650 Распорка
Найдено товаров: 57
1
▲ Наверх
0
8 (925) 663-83-63

Call-центр

пн-вс: 10:00-19:00

НАЙТИ ПО МОДЕЛИ
Введите номер заказа
Введите номер своего заказа, что бы узнать его текущий статус.
Что бы получить доступ к расширенным функциям, пройдите не сложную регистрацию. Зарегистрироваться